CV interface.
Note: The PC software on this page is largely obsolete. The drivers do only work for Win98 or ME. Besides modern hardware often doesn't include a parallel port.
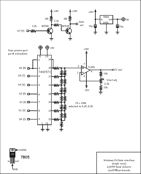
The interface allows you to circumvent the serial midi2CV interfaces. For all the people who (like me) always have a computer near their synth, it is a cheap and easy to do solution. Here is the older version of CVMIDI, a single CV and single Gate output. I have drawn a new schematic for the interface, so forget about the image inside the zipped file.
Here is the new Interface, which is made in a modular way. It allows to start with say 8 or 16 outputs and expand them as needed up to 80 outputs. It features some basic controllers, and has a simple two-voice poly mode. I consider the driver to be beta status, there is still a lot to do, but there is already lots of fun in it. So send in bug reports and suggestions. Its planned to add a small microcontroller to the interface, takeing care of the refreshing task. As the driver relies on a continuous midi stream to do that.

