Powersupply schematics
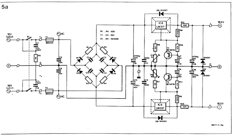
Description of the LM317 designThe dual tracking regulator LM325 yields a current of 100mA without additional transistors, in this circuit (with add. transistors) the maximum output current is 250mA. For higher currents, use heatsink and adjust R9 = 0.68 V/I(max) and R8 = 0.58 V/I(max). use 2N3055 above 1A!

